Главная » Интернет Эксперт » Эффективные методы измерения скорости интернета через Iperf: пошаговое руководство

Эффективные методы измерения скорости интернета через Iperf: пошаговое руководство

Узнайте, как использовать Iperf для проверки скорости вашего интернет-соединения. Следуйте нашим рекомендациям для точных и надежных результатов.


Установите Iperf на компьютер или мобильное устройство для тестирования скорости интернета.

Новое видео послезавтра - Лучшее ПК железо и мониторы - RYZEN INTEL AMD NVIDIA

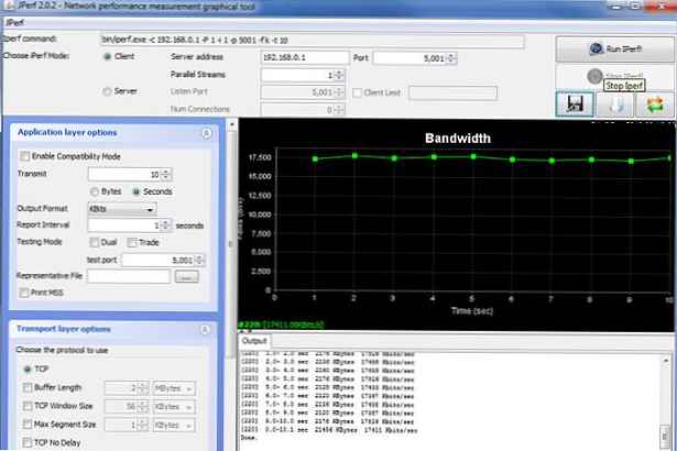
Используйте серверные и клиентские режимы работы Iperf для более детальной проверки скорости передачи данных.

Как правильно проверить скорость Интернета? 3 способа теста интернета

Выберите сервер ближе к вашему местоположению для более точных результатов скорости интернета.

iperf3 лучшая программа для тестирования скорости интернета

Избегайте одновременного использования интернета другими устройствами во время тестирования скорости с помощью Iperf.

Ростелеком роутер приставка не покупайте пока не посмотрите это видео!

Проводите проверку скорости интернета несколько раз в разное время суток для получения более надежных данных.

😱 САМЫЙ ПОЛНЫЙ ГАЙД ПО СНИЖЕНИЮ ПИНГА В ОНЛАЙН ИГРАХ! - 100% РАБОЧИЙ МЕТОД

Обратите внимание на возможное влияние фоновых процессов на результаты тестирования скорости интернета через Iperf.

Иперф - Проверьте пропускную способность через Интернет

При необходимости настройте параметры тестирования в Iperf для получения оптимальных результатов скорости интернета.

iperf3 - установка и проверка скорости участка локальной сети

Используйте графики и отчеты Iperf для анализа производительности интернет-соединения на основе полученных данных.

ТОП 5 способов проверки скорости интернета

Как Увеличить Скорость Интернета по LAN и по Wi-Fi - Скорость НЕ СООТВЕТСТВУЕТ тарифу

Не забывайте обновлять версию Iperf и следить за ее актуальностью для более точного и эффективного измерения скорости интернета.

IPerf. Как измерить скорость сети?

После завершения тестирования скорости интернета с помощью Iperf проанализируйте полученные результаты и примите необходимые меры для оптимизации соединения.