Главная » Домашнее телевидение » Повышенное напряжение на выходе выпрямителя: причины и решения

Повышенное напряжение на выходе выпрямителя: причины и решения

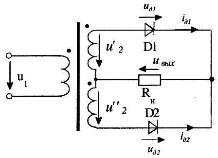
Выпрямители – важные устройства, но иногда возникает проблема с большим напряжением на выходе. В данной статье мы рассмотрим причины и предложим решения данной проблемы.


Проверьте подключение кабелей и проводов: неплотное соединение может вызвать увеличение напряжения.

Просто поднесите соль к паяльнику! Этот Человек - Гений!

Используйте стабилизатор напряжения для сглаживания выходного напряжения.

Ток БП больше, чем надо. Можно ли подключать?

Отрегулируйте параметры выпрямителя с помощью специальных настроек.

Ошибка H / Высокое напряжение на выходе - Стабилизатор РЕСАНТА АСН-5000

Проверьте и замените поврежденные диоды в выпрямителе, если они вызывают повышение напряжения.

Электричество за 2 минуты! Напряжение, сила, мощность, постоянный и переменный ток. ПРОСТО О СЛОЖНОМ

Проведите дополнительное заземление для снижения электромагнитных помех, которые могут повышать напряжение на выходе.

Мало кто знает об этой функции БЛОКА ПИТАНИЯ от ноутбука!!!

Проверьте и отрегулируйте входное напряжение: неправильное входное напряжение может привести к увеличению выходного.

Выпрямитель-умножитель Вилларда из scandi-light.ru это работает

Проверьте и замените поврежденные резисторы в выпрямителе, если они вызывают повышение напряжения.

Как увеличивается напряжение после выпрямителя при наличии сглаживающего конденсатора, и как падает

Используйте специализированное оборудование для измерения и контроля напряжения на выходе выпрямителя.

ВЫПРЯМИТЕЛЬ Особенности простых схем . ПАРАДОКС - Откуда лишние вольты ?

Бензогенератор выдает маленькое напряжение. Решение проблемы.

Проверьте и, при необходимости, отрегулируйте нагрузку, которая может влиять на выходное напряжение выпрямителя.

ВЫПРЯМИТЕЛЬ ПО СХЕМЕ ГРЕТЦА ⚒️ СВОИМИ РУКАМИ

Если проблема с повышенным напряжением на выходе возникает регулярно, обратитесь к специалисту для более глубокой диагностики и ремонта.